Центробежный насос Purity PSTG-R5 40-125/11
Центробежный насос серии PSTG-R5 позволяет перекачивать горячие масла при температуре до +160 °C (кратковременно (до 30 минут) до +200 °C.
Подробнее
39 225,49 руб.
Нашли дешевле?
-
+
Заказать
Связаться в менеджером
Производитель оставляет за собой право вносить изменения в характеристики оборудования без предварительного уведомления. Характеристики, вес, размеры, цена и любые другие указанные в каталоге данные не являются окончательными. Окончательные данные уточняйте у менеджеров по продажам.
Описание
Центробежный насос серии PSTG-R5 позволяет перекачивать горячие масла при температуре до +160 °C (кратковременно (до 30 минут) до +200 °C.
Насос используется в промышленности для циркуляции горячих масел в контурах обогрева и охлаждения. Для непрерывной работы насоса не требуется подводить дополнительное охлаждение.
Центробежный насос серии PSTG-R5 имеет общий вал и одно рабочее колесо из чугуна. Конструкция насоса моноблочного типа с прямым присоединением двигатель-насос, патрубки фланцевые.
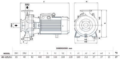
Мощность насоса Purity PSTG-R5 40-125/11 составляет 1.1 кВт, напряженине 380 В. Насос обеспечивает максимальный напор 12 м, максимальную производительность - 30 м³/ч.
Характеристики
Задать вопрос


