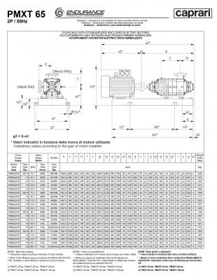
Горизонтальные секционные насосы высокого давления Caprari PMXT 65 2200 из нержавеющей стали
Горизонтальные секционные насосы высокого давления Caprari серии PMXT из нержавеющей стали.
Подробнее
Цена: По запросу
Нашли дешевле?
Узнать цену
Наши менеджеры обязательно свяжутся с вами и уточнят условия заказа
Производитель оставляет за собой право вносить изменения в характеристики оборудования без предварительного уведомления. Характеристики, вес, размеры, цена и любые другие указанные в каталоге данные не являются окончательными. Окончательные данные уточняйте у менеджеров по продажам.
Описание
Горизонтальные секционные насосы высокого давления Caprari серии PMXT из нержавеющей стали. Толщина компонентов, выбор высокопроизводительных материалов и инновационные технические решения делают насосы PMXT уникальными на рынке по производительности, прочности и надежности. Насосы также доступны из специальных материалов. Идеально подходит для экстремальных условий эксплуатации и агрессивных жидкостей: опреснительные установки, морская вода, пожаротушение.
Характеристики
Задать вопрос










