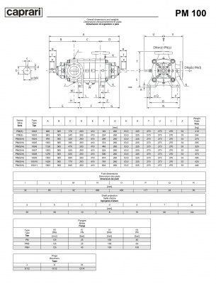
Горизонтальные многоступенчатые насосы высокого давления Caprari PM 100H 3500
Многоступенчатые горизонтальные насосы высокого давления (до 100 бар) Caprari PM-PMA для промышленного применения, водоснабжения, оснежения, пожаротушения и орошения. 
													Подробнее
															Цена: По запросу
                                
                            					
								Нашли дешевле?
							
											
								
									Узнать цену
						Наши менеджеры обязательно свяжутся с вами и уточнят условия заказа
								
							
					Производитель оставляет за собой право вносить изменения в характеристики оборудования без предварительного уведомления. Характеристики, вес, размеры, цена и любые другие указанные в каталоге данные не являются окончательными. Окончательные данные уточняйте у менеджеров по продажам.				
			Описание
					Многоступенчатые горизонтальные насосы высокого давления (до 100 бар) Caprari PM-PMA для промышленного применения, водоснабжения, оснежения, пожаротушения и орошения. Доступны версии с регулируемым уплотнением или механическим уплотнением. Они обеспечивают высокую производительность и гидравлическую эффективность, занимая лидирующие позиции на рынке. Также доступна версия с осевым всасыванием.
																																					
																	Характеристики
					Задать вопрос
					 
					
 
											
										 
											
										 
											
										 
											
										 
											
										 
											
										 
											
										 
											
										 
											
										 
											
										 
											
										










