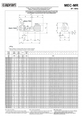
Горизонтальные многоступенчатые насосы Caprari MEC-MR 2000
Цена: По запросу
Нашли дешевле?
Узнать цену
Наши менеджеры обязательно свяжутся с вами и уточнят условия заказа
Производитель оставляет за собой право вносить изменения в характеристики оборудования без предварительного уведомления. Характеристики, вес, размеры, цена и любые другие указанные в каталоге данные не являются окончательными. Окончательные данные уточняйте у менеджеров по продажам.
Описание
Горизонтальные многоступенчатые насосы Caprari серии MEC-MR могут быть соединены как с двигателями, так и с электродвигателями с 2 и 4 полюсами.
Доступны как уплотнения, так и механические уплотнения.
Они подходят для использования в секторе водоснабжения, промышленности, пожаротушения, а также для любых требований по добыче чистой воды.
Доступны как уплотнения, так и механические уплотнения.
Они подходят для использования в секторе водоснабжения, промышленности, пожаротушения, а также для любых требований по добыче чистой воды.
Характеристики
Задать вопрос








